Fused fittings

Home » Product » Fused fittings

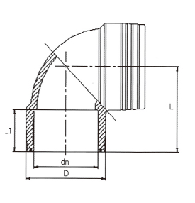
Electric-Melting 90° Elbow

Updated Date:2019-06-12

A Fused Polyethylene Pipe Fitting With Observation Hole Structure , Including Electric Melting Pipe Body , A Copper Electrode,An Observation Hole, A Resistance Wire, Providing A Hidden Electric Wire. Electric Melting Plastic Pipe . It Is The Plastic Pipe Fittings On Both Ends Of Pipe Wall Hidden Injection Electric Wire, Are Connected With Both Ends Of The Electric Plug.

Electric-Melting 90° Elbow

MWP(maximum working pressure):1.6Mpa-water/ 1.0Mpa-fuel gas。

Fused fittings series:SDR11  SDR17

Copyright © 20015-2016,96zc.com,All rights reserved All rights reserved JiangSu ShuangTeng Pipe Industry Co.,Ltd

Record N Varchar :苏ICP备15043799号-1